Á¦¸ñ FBL780BC PCB land pattern ¹®ÀÇ
ÀÛ¼ºÀÚ SJH
À̸ÞÀÏ sj3995@kaist.ac.kr
ÀÛ¼ºÀÏÀÚ 2016-10-31
Á¶È¸¼ö 11024
Ãßõ¼ö 2675
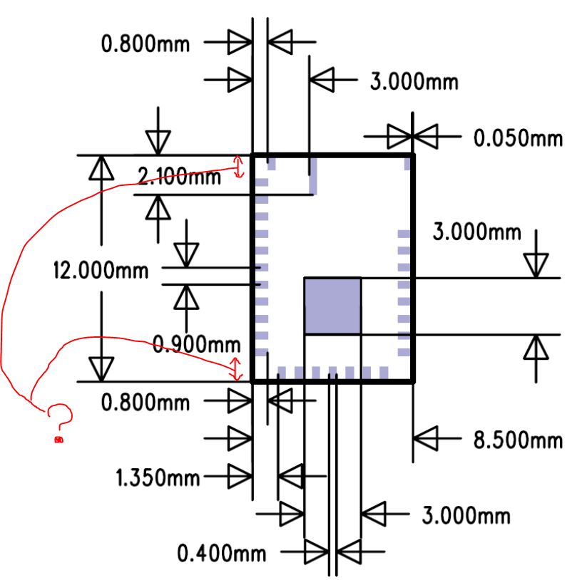
FBL780BC ¸¦ Àú¹ø 7¿ùÁß¿¡ »ò±¸¿ä, Áö±Ý PCB land patternÀ» ±×¸®°í Àִµ¥, Á¦Ç°ÀÌ ¹Ù²ï°Í°°½À´Ï´Ù.


ÀÌÀü¿¡ ¸Å´º¾óÀ» ¹Þ¾Æ³õÀº°Ô À־ dimensionÀÌ ³ª¿ÍÀֱ淡 ±×°É Åä´ë·Î ±×·Áº¸°í Àִµ¥,


±×¸¶Àúµµ ºüÁø ºÎºÐÀÌ Àִ°Ͱ°¾Æ.. ÁøÇàÀ» ¸øÇϰí ÀÖ½À´Ï´Ù. (÷ºÎ±×¸²)


Á¤È®ÇÑ µµ¸é ºÎʵ叮°Ú½À´Ï´Ù. °¨»çÇÕ´Ï´Ù.






IP 143.248.xxx.xxx
À̸§ ºñ¹Ð¹øÈ£
¡Ø ÇÑ±Û 1000ÀÚ ±îÁö¸¸ ÀԷ°¡´É : ÀÚ