Á¦¸ñ RE: FBL780BC PCB land pattern ¹®ÀÇ
ÀÛ¼ºÀÚ firmtech7
À̸ÞÀÏ
ÀÛ¼ºÀÏÀÚ 2016-11-01
Á¶È¸¼ö 11018
Ãßõ¼ö 2695
¾È³çÇÏ½Ê´Ï±î ÆßÅ×Å© ÀÔ´Ï´Ù.
 
¹®ÀÇ ÇϽŠQ&AÀÇ ´äº¯Àº ¸ÞÀÏ·Î º¸³» µå·È½À´Ï´Ù.
È®ÀÎ ºÎŹ µå¸³´Ï´Ù.
 
°¨»çÇÕ´Ï´Ù.
ÁÁÀº ÇÏ·ç º¸³»¼¼¿ä.


------- ¿øº» ³»¿ë ---------


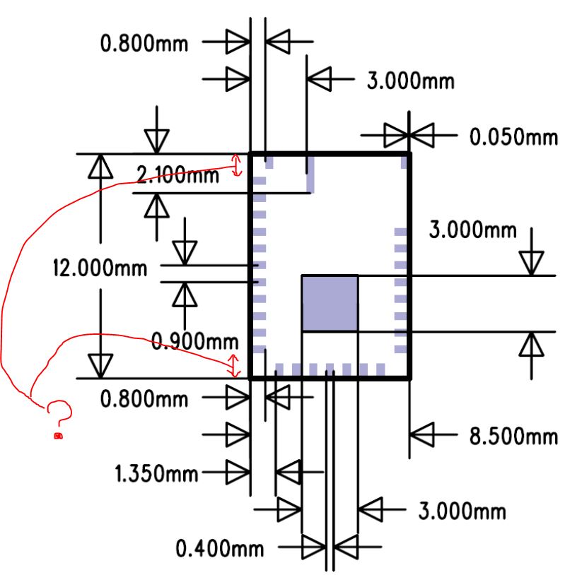
FBL780BC ¸¦ Àú¹ø 7¿ùÁß¿¡ »ò±¸¿ä, Áö±Ý PCB land patternÀ» ±×¸®°í Àִµ¥, Á¦Ç°ÀÌ ¹Ù²ï°Í°°½À´Ï´Ù.


ÀÌÀü¿¡ ¸Å´º¾óÀ» ¹Þ¾Æ³õÀº°Ô À־ dimensionÀÌ ³ª¿ÍÀֱ淡 ±×°É Åä´ë·Î ±×·Áº¸°í Àִµ¥,


±×¸¶Àúµµ ºüÁø ºÎºÐÀÌ Àִ°Ͱ°¾Æ.. ÁøÇàÀ» ¸øÇϰí ÀÖ½À´Ï´Ù. (÷ºÎ±×¸²)


Á¤È®ÇÑ µµ¸é ºÎʵ叮°Ú½À´Ï´Ù. °¨»çÇÕ´Ï´Ù.






IP ..xxx.xxx
À̸§ ºñ¹Ð¹øÈ£
¡Ø ÇÑ±Û 1000ÀÚ ±îÁö¸¸ ÀԷ°¡´É : ÀÚ